|

Двухступенчатые цилиндрические редукторы 1Ц2У-100, 1Ц2У-125, 1Ц2У-160, 1Ц2У-200, 1Ц2У-250 |

Техническое описание
Условия применения
Габаритные и присоединительные размеры
Варианты сборки
Расчет момента редуктора
Технические характеристики
Техническое обслуживание
Техническое описание
Редукторы 1Ц2У зубчатые цилиндрические двухступенчатые узкие горизонтальные общего назначения служат для увеличения крутящих моментов и уменьшения частоты вращения. Редукторы применяются в макроклиматических районах с умеренным климатом (исполнение У), сухим и влажным тропическим климатом (исполнение Т), категорий размещения 1, 2, 3, 4 (работа на открытом воздухе под навесом, в закрытых помещениях и помещениях с регулируемым климатом).
Условия использования двухступенчатых цилиндрических редукторов:
-
Тип нагрузки: постоянная/переменная, одного направления/реверсивная;
-
Вал вращается в оба направления без предпочтений (частота < 1800 об/мин.);
-
Редуктор адаптирован для работы в длительном режиме и с остановами;
-
Характер атмосферы: типы I и II (ГОСТ 15150-69), запыленность среды < 10 мг/куб.м.;
-
Климатич. варианты исполнения оборудования: У/Т - категории размещения 1...3, а также исполнения УХЛ/О - категория размещения 4 (ГОСТ 15150-69).
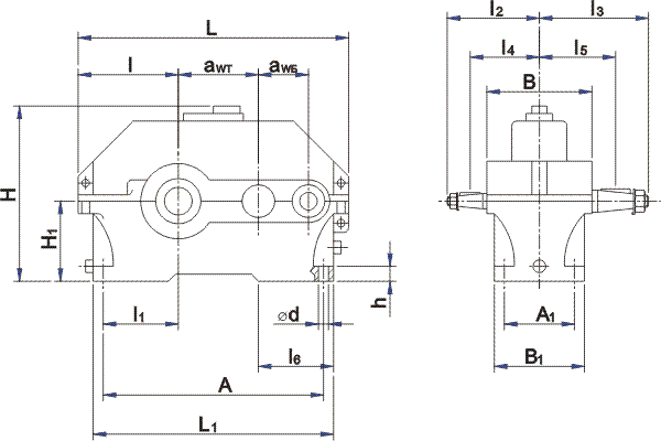
Габаритные и присоединительные размеры 1Ц2У-100, 1Ц2У-125, 1Ц2У-160, 1Ц2У-200, 1Ц2У-250


Типоразмер редуктора |
Межосевые расстояния |
L |
L1 |
l |
l1 |
l2 |
l3 |
l4 |
l5 |
l6 |
H не более |
aw - вых |
aw - вх |
не более
|
1Ц2У-100 |
100 |
80 |
387 |
325 |
136 |
85 |
136 |
165 |
103 |
115 |
- |
230 |
1Ц2У-125 |
125 |
80 |
450 |
375 |
160 |
106 |
145 |
206 |
112 |
136 |
- |
272 |
1Ц2У-160 |
160 |
100 |
560 |
475 |
200 |
136 |
170 |
224 |
132 |
155 |
145 |
345 |
1Ц2У-200 |
200 |
125 |
690 |
580 |
243 |
165 |
212 |
280 |
160 |
190 |
186 |
425 |
1Ц2У-250 |
250 |
160 |
825 |
730 |
290 |
212 |
265 |
335 |
195 |
230 |
224 |
530 |
Типоразмер редуктора |
H1 |
h |
c чугун. корп. |
с алюм. корп. |
А |
A1 |
В |
B1 |
d |
1Ц2У-100 |
112 |
— |
20±3 |
290 |
109 |
155 |
145 |
15 |
1Ц2У-125 |
132 |
— |
22±3 |
335 |
125 |
175 |
165 |
19 |
1Ц2У-160 |
170 |
24±4 |
28±4 |
425 |
140 |
206 |
195 |
24 |
1Ц2У-200 |
212 |
30±4 |
— |
515 |
165 |
243 |
230 |
24 |
1Ц2У-250 |
265 |
32±5 |
— |
670 |
218 |
290 |
280 |
28 |
Варианты сборки редукторов типа ЦУ

Расчет момента редуктора
Мощность, передаваемая редуктором, определяется по формуле:

где Мт - крутящий момент на тихоходном валу редуктора, nб - частота вращения быстроходного вала редуктора, об/мин; u - передаточное число редуктора.
Номинальная радиальная нагрузка на тихоходном валу вариантов сборки 13 и 23 должна быть уменьшена на 50%. При работе редукторов в реверсивном режиме, т.е. при периодическом изменении направления вращения, номинальные крутящие моменты на тихоходном валу (с учетом коэффициентов увеличения) должны быть снижены на 30%.
Технические характеристики 1Ц2У-100, 1Ц2У-125, 1Ц2У-160, 1Ц2У-200, 1Ц2У-250
Наименование показателя |
Типоразмер редуктора |
1Ц2У-100 |
1Ц2У-125 |
1Ц2У-160 |
1Ц2У-200 |
1Ц2У-250 |
Передаточные числа |
Группа 1 |
10; 20; 31,5; 40 |
Группа 2 |
8;12,5; 16; 25 |
Фактические передаточные числа |
Группа 1 |
10,32;20,64; 32,55; 40,32 |
10; 20; 31,5;38,37 |
10,32; 20,64; 32,55; 40,32 |
9,76; 20,02; 31,47; 38,98 |
9,94; 20,67; 31,47; 38,4 |
Группа 2 |
8; 12,8; 16; 25,6 |
7,75; 12,18; 15,48; 24,36 |
8; 12,6; 16,0; 25,2 |
8,09; 12,08; 16,6; 24,83 |
8,33; 12,12; 16; 24,54 |
Номинальный крутящий момент на выходном валу при длительной работе с постоянной нагрузкой Н*м |
непрерывный (Н) ПВ=100% |
315 |
630 |
1250 |
2500 |
5000 |
Допускаемый крутящий момент на выходном валу при работе редуктора на повторно-кратковременных режимах. Н*м |
тяжелый (Т) ПВ=40% |
315 |
630 |
1600 |
3150 |
6300 |
средний (С) ПВ=25% |
2000 |
4000 |
8000 |
легкий (Л) ПВ=15% |
2500 |
5000 |
10000 |
Допускаемая радиальная консольная нагрузка. приложенная в середине посадочной части, Н |
входного вала |
непрерывный (Н) ПВ=100% |
500 |
750 |
1000 |
2240 |
3150 |
тяжелый (Т) ПВ=40% |
1150 |
2500 |
3550 |
средний (С) ПВ=25% |
1280 |
2800 |
4000 |
легкий (Л) ПВ=15% |
1450 |
3150 |
4500 |
выходного вала |
непрерывный (Н) ПВ=100% |
4500 |
6300 |
9000 |
12500 |
18000 |
тяжелый (Т) ПВ=40% |
10000 |
14000 |
20000 |
средний (С) ПВ=25% |
11200 |
16000 |
22400 |
легкий (Л) ПВ=15% |
12500 |
18000 |
25000 |
Термическая мощность, кВт |
не лимитирует |
Коэффициент полезного действия, не менее, % |
97 |
Масса редуктора, не более, кг |
с чугунным корпусом |
— |
|
95 |
170 |
310 |
с алюминиевым корп. |
21 |
31,5 |
57 |
|
|
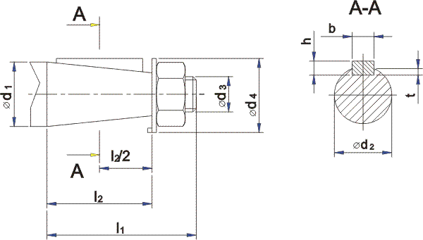
Редукторы должны изготавливаться по вариантам сборки по ГОСТ 20373-80 согласно таблице по 2 группам
Типоразмер |
Вал |
d1 |
d2 |
d3 |
d4
не более |
l1 |
l2 |
b |
h |
t |
1Ц2У-100
1Ц2У-125 |
быстроходный |
20 |
18,2 |
М12х1,5 |
40 |
50 |
36 |
4 |
4 |
2,5 |
1Ц2У-160
1Ц2У-200
1Ц2У-250 |
25
30
40 |
22,9
27,1
35,9 |
М16х1,5
М20х1,5
М24х2,0 |
45
50
63 |
60
80
110 |
42
58
82 |
5
10 |
5
8 |
3,0
5,0 |
1Ц2У-100
1Ц2У-125
1Ц2У-160
1Ц2У-200
1Ц2У-250 |
тихоходный |
35
45
55
70
90 |
32,10
40,90
50,90
64,75
83,50 |
M20x1,5
М30х2,0
М36х3,0
М48х3,0
М64х4,0 |
50
75
88
100
130 |
80
110
110
140
170 |
58
82
82
105
130 |
6
12
14
18
22 |
6
8
9
11
14 |
3,5
5,0
5,5
7,0
9,0 |
ТРЕБОВАНИЯ БЕЗОПАСНОСТИ
В процессе эксплуатации и обслуживания редукторов:
- заливайте и сливайте масло при полной остановке редуктора; соединительные муфты и концы валов защитите предохранительными кожухами;
- при разборке редуктора снимите действие консольных нагрузок на концы валов и отсоедините муфты;
- при ремонтных работах соблюдайте требования безопасности для такелажных, слесарных и сварочных работ.
Корректированный уровень звуковой мощности при частоте вращения входного вала 1500об/мин не превышает для редукторов 1Ц2У-100, 1Ц2У-125 - 98 dBA; 1Ц2У-160, 1Ц2У-200 - 104 dBA; 1Ц2У-250 - 110 dBA.
ПОДГОТОВКА К РАБОТЕ
До момента и пуска редукторы храните в закрытых помещениях и условиях, исключающих возможность их повреждения и попадания на них влаги.
Редуктор при монтаже устанавливайте на жесткую опору в горизонтальном положении основанием вниз, при установке предусмотрите свободный доступ к пробкам отверстий для залива, контроля и слива масла. Перед началом эксплуатации заполните редуктор смазкой.
Перед пуском проверните редуктор вхолостую.
ТЕХНИЧЕСКОЕ ОБСЛУЖИВАНИЕ
Техническое обслуживание редуктора заключается в постоянном наблюдении за состоянием смазки. Заливайте масло через отверстие в крышке редуктора при открытом контрольном отверстии. Смазку подавайте до тех пор, пока масло не выступит из контрольного отверстия.
Объем заливаемого масла, необходимый для эксплуатации редукторов, рекомендуемые марки масел приведены в таблице смазки.
Для облегчения съема крышки на передней или задней полке корпуса редуктора имеется отверстие под отжимной болт, в качестве которого используйте один из стяжных болтов редуктора.
Транспортируйте редуктор за два грузовых прилива в крышке. В период эксплуатации редуктора следите за правильностью регулировки подшипников. Регулируйте следующим образом: предварительно отвернутые регулировочные винты затяните до отказа, отпустите на 0,5... 1 оборота регулировочных винтов и закрепите замками.
|
Двухступенчатые цилиндрические редукторы 1Ц2У-100, 1Ц2У-125, 1Ц2У-160, 1Ц2У-200, 1Ц2У-250
Одноступенчатые цилиндрические редукторы серии ЦУ-100, ЦУ-160, ЦУ-200, ЦУ-250
Двухступенчатые цилиндрические редукторы серии 1Ц2У-315Н, 1Ц2У-355Н, 1Ц2У-400Н, 1Ц2Н-450, 1Ц2Н-500
Трехступенчатые цилиндрические редукторы ЦЗУ-160, ЦЗУ-200, ЦЗУ-250
Одноступенчатые червячные редукторы серии 1Ч-63А
Одноступенчатые червячные редукторы Ч-100, Ч-125, Ч-160
Одноступенчатые червячные редукторы 1Ч-160
Двухступенчатые редукторы Ч2-160
Редукторы червячные одноступенчатые 4Ч-80
Одноступенчатые червячные редукторы Ч-80
Одноступенчатые червячные редукторы 2Ч-40, 2Ч-63, 2Ч-80
Цилиндрические соосные мотор-редукторы MTC A
Цилиндрические соосные мотор-редукторы R (RF)
Двухступенчатые мотор-редукторы 4МЦ2С, 4МЦ2С-63, 4МЦ2С-80, 4МЦ2С-100, 4МЦ2С-125
Цилиндрические мотор-редукторы 1МЦ2С, 1МЦ2С-63, 1МЦ2С-80, 1МЦ2С-100, 1МЦ2С-125
Цилиндрические плоские мотор-редукторы серии F
Мотор-редукторы планетарные тип: 3МП-31,5; 3МП-40; 3МП-50; 3МП-63; 3МП-80; 3МП-100; 3МП-125
Мотор-редукторы планетарные двухступенчатые МПО2М-10, МПО2М-15
Мотор-редукторы планетарные одноступенчатые типа МПО1М-10
Мотор-редукторы планетарные МРВ-02 и МРВ-04
Волновые мотор-редукторы ЗМВз
Цилиндро-конические мотор-редукторы K
|
|
| ©
2014 Редукторы, мотор-редукторы, устройства плавного пуска, преобразователи частоты |
|
|