Двухступенчатые червячные мотор-редукторы STM (СТМ) серии CRMI 28/28, CRMI 28/40, CRMI 40/40, CRMI 28/50, CRMI 40/50, CRMI 28/63, CRMI 28/63, CRMI 28/70, CRMI 40/70, CRMI 50/70, CRMI 63/70, CRMI 40/85, CRMI 50/85, CRMI 63/85, CRMI 70/85, CRMI 50/110, CRMI 63/110, CRMI 70/110, CRMI 85/110, CRMI 63/130, CRMI 70/130, CRMI 85/130, CRMI 85/150, CRMI 110/150, CRMI 85/180, CRMI 110/180, CRMI 130/180: характеристики, устройство, принцип работы, цена

Двухступенчатые червячные мотор-редукторы STM (СТМ) серии CRMI 28/28, CRMI 28/40, CRMI 40/40, CRMI 28/50, CRMI 40/50, CRMI 28/63, CRMI 28/63, CRMI 28/70, CRMI 40/70, CRMI 50/70, CRMI 63/70, CRMI 40/85, CRMI 50/85, CRMI 63/85, CRMI 70/85, CRMI 50/110, CRMI 63/110, CRMI 70/110, CRMI 85/110, CRMI 63/130, CRMI 70/130, CRMI 85/130, CRMI 85/150, CRMI 110/150, CRMI 85/180, CRMI 110/180, CRMI 130/180

Червячные двухступенчатые редукторы серии CRMI представляют собой комбинацию из двух редукторов серии RMI соединенных в одну единую конструкцию. Передаточное отношение равно сумме передаточных чисел первого и второго редукторов. В производстве редукторов применяются передовые разработки и качественные материалы, все это позволяет использовать редукторы в тяжелых условиях работы многие годы. Достоинства серии CRMI это компактные размеры, высокая надежность, широкий ряд передаточных чисел, различные варианты монтажа и низкая стоимость.

Передаточные отношения 49 - 10000

Обороты тихоходного вала 0,1 - 12 об/мин

Крутящий момент 10 - 4500 Нм

Мощность электродвигателя 0,06 - 5,5 кВт

Серия имеет следующие типоразмеры:
CRMI 28/28, CRMI 28/40, CRMI 40/40, CRMI 28/50, CRMI 40/50, CRMI 28/63, CRMI 40/63, CRMI 28/70, CRMI 40/70, CRMI 50/70, CRMI 63/70, CRMI 40/85, CRMI 50/85, CRMI 63/85, CRMI 70/85, CRMI 50/110, CRMI 63/110, CRMI 70/110, CRMI 85/110, CRMI 63/130, CRMI 70/130, CRMI 85/130, CRMI 85/150, CRMI 110/150, CRMI 85/180, CRMI 110/180, CRMI 130/180

Одноступенчатые червячные мотор-редукторы STM (СТМ) серии RMI

 

Система обозначения червячных мотор-редукторов серии CRMI

CRMI
40/85
– S
– 1
– 1/980
– T63A4B5
1
2
3
4
5
6

1 – Cерия двухступенчатого редуктора (CRMI )

2 – Межосевое расстояние первой и второй ступени, мм

3 - Исполнение редуктора (S, I, D, A, B7, B9)

4 - Монтажное положение (1, 2, B7, B9)

5 – Номинальное передаточное отношение редуктора

6 – Тип электродвигателя по стандарту IEC

Типоразмер
M max, Нм

D - выходного вала,

мм

CRMI 28/28
44
14
CRMI 28/40
62
19
CRMI 28/50
106
24
CRMI 40/40
77
19
CRMI 40/50
124
24
CRMI 40/63
235
25
CRMI 40/70
310
28
CRMI 40/85
590
32
CRMI 50/70
560
28
CRMI 50/85
650
32
CRMI 50/110
900
42
CRMI 63/85
720
32
CRMI 63/110
980
42
CRMI 70/110
1100
42
CRMI 70/130
1750
48
CRMI 85/150
2700
55
CRMI 85/180
4500
65

Габаритные и присоединительные размеры

Реактивная штанга, выходной вал - размеры

Монтажные положения и количество масла, заливаемого в мотор-редукторы CRMI

Вес червячных редукторов серии CRMI, кг

Выходные обороты и мощность электродвигателей (кВт)

 

CRI
CRMI
A
a
B
b
C
Dh7
d j6
E
E1
e
f
Q
H
I
I1
L
m
M1
N
N1
S
T
T1
28/28
67
52
78
66
30
14
9
40
40
35
5,5
90
52
28
28
20
M4
47
44,5
44,5
6
49
49
28/40
100
70
102
84
41
19(18)
9
59
40
35
7
104,5
71
40
28
20
M4
47
61,5
44,5
8
66
49
40/40
100
70
102
84
41
19(18)
11
59
59
49
7
145,5
71
40
40
22
M5
64
61,5
61,5
8
66
66
28/50
120
85
119
99
49
24(25)
9
69
40
35
9
115
85
50
28
20
M4
43
72,5
44,5
10
80
49
40/50
120
85
119
99
49
24(25)
11
69
59
49
9
106
85
50
40
22
M5
64
72,5
61,5
10
80
66
28/63
140
95
136
111
60
25
9
81
40
35
11
135,5
100
63
28
20
M4
47
84
44,5
11
99
49
40/63
140
95
136
111
60
25
11
81
59
49
11
146
100
63
40
22
M5
64
84
61,5
11
99
66
28/70
158
120
140
116
60
28
9
87
40
35
11
140,5
115
70
28
20
M4
47
92
44,5
13
108
49
40/70
158
120
140
116
60
28
11
87
59
49
11
151
115
70
40
22
M5
64
92
61,5
13
108
66
50/70
158
120
140
116
60
28
14
87
69
59
11
149
115
70
50
30
M6
74
92
72,5
13
108
80
63/70
158
120
140
116
60
28
18
87
81
69
11
182
115
70
63
45
M6
96
92
81
13
108
99
40/85
193
140
168
140
61
32(35)
11
105
87
68
13
198
135
85
40
22
M5
64
111
61,5
15
135
66
50/85
193
140
168
140
61
32(35)
14
105
69
59
13
173
135
85
50
30
M6
74
111
72,5
15
135
80
63/85
193
140
168
140
61
32(35)
18
105
81
69
13
198
135
85
63
45
M6
96
111
81
15
135
99
70/85
193
140
168
140
61
32(35)
19
105
87
68
13
165
135
85
70
40
M8
97
111
92
15
135
108
50/110
250
200
200
162
77,5
42
14
135
69
59
14
236,5
172
110
50
30
M6
74
142
72,5
17
170
80
63/110
250
200
200
162
77,5
42
18
135
81
69
14
227
172
110
63
45
M6
96
142
81
17
170
99
70/110
250
200
200
162
77,5
42
19
135
87
68
14
191
172
110
70
40
M8
97
142
92
17
170
108
85/110
250
200
200
162
77,5
42
24
135
105
71
14
195
172
110
85
50
M8
115
142
111
17
170
135
63/130
286
235
230
190
90
48
18
154
81
69
15
265
200
130
63
45
M6
96
161,5
81
19
195
99
70/130
286
235
230
190
90
48
19
154
87
68
15
214
200
130
70
40
M8
97
161,5
92
19
195
108
85/130
286
235
230
190
90
48
24
154
105
71
15
213
200
130
85
50
M8
115
161,5
111
19
195
135
85/150
336
260
250
210
105
55
24
178
105
71
19
240
230
150
85
50
M8
115
189
111
20
224
135
110/150
336
260
250
210
105
55
28
178
135
92
19
254
230
150
110
60
M8
146
189
142
20
224
170
85/180
400
310
320
260
120
65
24
210
105
71
22
283
265
180
85
50
M8
115
232
111
22
265
135
110/180
400
310
320
260
120
65
28
210
135
92
22
296
265
180
110
60
M8
146
232
142
22
265
170
130/180
400
310
320
260
120
65
38
210
150
102
22
306
265
180
130
80
M10
166
232
159
22
265
200

Назад

CRI CRMI
C
D H7
d j6
E
E1
e
Q
I
I1
L
m
M1
N
N1
T
T1
28/28
30
14
9
40
40
35
90
28
28
20
M4
47
44.5
44.5*
49
49
28/40
41
19 (18)
9
59
40
35
104.5
40
28
20
M4
47
61.5
44.5*
66
49
40/40 **
41
19 (18)
11
59
59
49
145.5
40
40
22
M5
64
61.5
61.5
66
66
28/50
49
24 (25)
9
69
40
35
115
50
28
20
M4
43
72.5
44.5*
80
49
40/50
49
24 (25)
11
69
59
49
106
50
40
22
M5
64
72.5
61.5
80
66
28/63
60
25
9
81
40
35
135.5
63
28
20
M4
47
84
44.5*
99
49
40/63
60
25
11
81
59
49
145.5
63
40
22
M5
64
84
61.5
99
66
28/70
60
28
9
87
40
35
140.5
70
28
20
M4
47
92
44.5*
108
49
40/70
60
28
11
87
59
49
151
70
40
22
M5
64
92
61.5
108
66
50/70
60
28
14
87
69
59
149
70
50
30
M6
74
92
72.5
108
80
63/70 **
60
28
18
87
81
69
182
70
63
45
M6
96
92
81
108
99
40/85 **
61
32 (35)
11
105
59
49
198
85
40
22
M5
64
111
61.5
135
66
50/85
61
32 (35)
14
105
69
59
173
85
50
30
M6
74
111
72.5
135
80
63/85 **
61
32 (35)
18
105
81
69
198
85
63
45
M6
96
111
81
135
99
70/85
61
32 (35)
19
105
87
68
165
85
70
40
M8
97
111
92
135
108
50/110 **
77.5
42
14
135
69
59
236.5
110
50
30
M6
74
142
72.5
170
80
63/110 **
77.5
42
18
135
81
69
227
110
63
45
M6
96
142
81
170
99
70/110
77.5
42
19
135
87
68
191
110
70
40
M8
97
142
92
170
108
85/110
77.5
42
24
135
105
71
195
110
85
50
M8
115
142
111
170
135
63/130 **
90
48
18
154
81
69
265
130
63
45
M6
96
161.5
81
195
99
70/130
90
48
19
154
87
68
214
130
70
40
M8
97
161.5
92
195
108
85/130
90
48
24
154
105
71
213
130
85
50
M8
115
161.5
111
195
135
85/150
105
55
24
178
105
71
240
150
85
50
M8
115
189
111
224
135
110/150
105
55
28
178
135
92
254
150
110
60
M8
146
189
142
224
170
85/180
120
65
24
210
105
71
283
180
85
50
M8
115
232
111
265
135
110/180
120
65
28
210
135
92
296
180
110
60
M8
146
232
142
265
170
130/180
120
65
38
210
150
102
306
180
130
80
M10
166
232
159
265
200

 

CRI CRMI
F
GH8
P
R
U
V
Z
Fp
Gp e8
Pp
Rp
Up
Vp
28/28
70
40
49
56
5
6
5
67
42(H8)
36
56
7
M6
28/40
140°
95
82
115
5
8.5
9
95
60
38
83
2
M6
40/40 **
28/50
160°
110
91.5
130
5
10
10
105
70
49
85
2.5
M8
40/50
28/63
180°
115
116
150
5
11
11
105
70
57.5
85
3.5
M8
40/63
28/70
200°
130
111
165
5
13
11
120
80
57
100
5
M8
40/70
50/70
63/70 **
40/85 **
200
130
100
165
5
13
12
144
110
56.5
130
3.5
M10
50/85
63/85 **
70/85
50/110 **
250
180
150
215
5
15
16
200
130
74
165
3
M12
63/110 **
70/110
85/110
63/130 **
300
230
150
265
5
15
18
242
180
87
215
5
M12
70/130
85/130
85/150
350
250
160
300
6
19
18
250
180
102
215
5
M14
110/150
85/180
400
300
180
350
6.5
22
22
300
230
117
265
5
M16
110/180
130/180

Назад

CRI -CRMI
28/28
28/40
40/40**
28/50
40/50
28/63
40/63
28/70
40/70
50/70
63/70**
40/85**
50/85
63/85**
70/85
50/110** 
63/110**
70/110
85/110
85/180
110/180
130/180
F1
F2
F1
F2
F1
F2
F3
F4
F1º
F2º
F3º
F1º
F2º
F3
F1
F2
F3
F1
F2
F3
F2
F
80
95
106
120
125
125
140
125
175
200
160
175
175
160
200
210
160
200
270
270
400
G (H8)
50
70
60
80
70
70
95
70
115
130
110
115
115
110
130
152
110
130
170
170
300
P
53
72
69
62
93
73
75
85
86
102
82
116
85
101
141
120
91
115
132
178
150
R
62
85
87
100
90
100
115
90
150
165
130
150
150
130
165
176
130
165
230
230
350
U
4
4
5
5
5
4
4
5
5
5
5
5
5
6
6
5
5
5
10
10
6.5
V
6
6.5
8.5
9
10.5
9
9
10.5
11
13
10
11
11
11
13
13
11.5
13
13.5
13.5
22
Z
7
8
9
9
10
9
9
11
11
11
11
10
10
11
12
14
10
12
18
18
22

 

CRI
CRMI
C
DH7
dJ6
E
E1
e
Q
I
I1
L
m
M1
N
N1
T
T1
28/28
30
14
9
40
40
35
90
28
28
20
М 4
47
44.5
44,5 *
49
49
28/40
41
19 (18 )
9
59
40
35
104.5
40
28
20
М 4
47
61.5
44,5 *
66
49
40/40 * *
41
19 (18 )
11
59
59
49
145.5
40
40
22
М 5
64
61.5
61.5
66
66
28/50
49
24 (25 )
9
69
40
35
115
50
28
20
М 4
43
72.5
44,5 *
80
49
40/50
49
24 (25 )
11
69
59
49
106
50
40
22
М 5
64
72.5
61.5
80
66
28/63
60
 5
9
81
40
35
135.5
63
28
20
М 4
47
81
44,5 *
99
49
40/63
60
25
11
81
59
49
146
63
40
22
М 5
64
81
61.5
99
66
28/70
60
28
9
87
40
35
140.5
70
28
20
М 4
47
92
44,5 *
108
49
40/70
60
28
11
87
59
49
151
70
40
22
М 5
64
92
61.5
108
66
50/70
60
28
14
87
69
59
149
70
50
30
М 6
74
92
72. 5
108
80
63/70 * *
60
28
18
87
81
69
182
70
63
45
М 6
96
92
81
108
99
40/85 * *
61
32 (35 )
11
105
59
49
198
85
40
22
М 5
64
111
61.5
135
66
50/85
61
32 (35 )
14
105
69
59
173
85
50
30
М 6
74
111
72.5
135
80
63/85 * *
61
32 (35 )
18
105
81
69
198
85
63
45
М 6
96
111
81
135
99
70/85
61
32 (35 )
19
105
87
68
165
85
70
40
M 8
97
111
92
135
108
50/110 * *
77.5
42
14
135
69
59
236.5
110
50
30
М 6
74
142
72.5
170
80
63/110 * *
77.5
42
18
135
81
69
227
110
63
45
М 6
96
142
81
170
99
70/110
77.5
42
19
135
87
68
191
110
70
40
M 8
97
142
92
170
108
85/110
77.5
42
24
135
105
71
195
110
85
50
M 8
115
142
111
170
135
85/180
120
65
24
210
105
71
283
180
85
50
M 8
115
232
111
265
135
110/180
120
65
28
210
135
92
296
180
110
60
M 8
146
232
142
265
170
130/180
120
65
38
210
150
102
306
180
130
80
M1 0
166
232
159
265
200

Назад

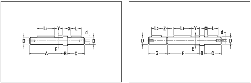
Реактивная штанга, выходной вал

выходной вал

RI-RMI
28
40
50
63
70
85
110
130
150
180
CRI-CRMI
28/28
28/40
40/40
28/50
40/50
28/63
40/63
28/70
40/70
50/70
63/70
40/85
50/85
63/85
70/85
50/110
63/110
70/110
85/110
63/130
70/130
85/130
85/150
110/150
85/180
110/180
130/180
CR-CB
-
40
50
-
70
85
110
-
-
-
A
58
80
95
109
117
119
153
177
207
239
B
1,5
10
10
10
10
10
10
20
20
20
C
29,5
40
45
60
60
71
100
110
110
130
Dg6
14
19
24
25
28
32
42
48
55
65
d
M6
M8
M8
M8
M8
M10
M10
M10
M12
M14
E
17
22
28
34
34
38
50
58
63
78
F
60
82
98
120
120
122
155
180
210
240
G
31
50
55
70
70
81
110
130
130
150
L
20
25
30
40
40
50
80
90
90
100
L1
20
40
50
60
60
70
80
90
100
120
L2
20
25
30
40
40
50
80
90
90
100
X
4,5
8
7,5
10
10
10
10
10
10
15
Y
20
21
24
30
30
26
37
45
55
60
Z
6
18
18
20
20
20
20
30
30
35
RI-RMI
28
40
50
63
70
85
110
130
150
180
CRI-CRMI
28/28
28/40
40/40
28/50
40/50
28/63
40/63
28/70
40/70
50/70
63/70
40/85
50/85
63/85
70/85
50/110
63/110
70/110
85/110
63/130
70/130
85/130
85/150
110/150
85/180
110/180
130/180
CR-CB
-
40
50
-
70
85
110
-
-
-
A
70
90
100
150
150
200
250
300
350
400
B
34,5
50
60
53
60
75
100
120
125
150
C
119,5
165
185
230
240
313
388
465
525
610
D
42,15
60
70
70
80
110
130
180
180
230
E
56
83
85
85
100
130
165
215
215
265
F
6,5
7
9
9
9
11
13
13
15
17
G
-
15
15
20
20
25
25
30
30
35
H
9
10
10
10
10
20
20
25
25
35
I
4
4
4
6
6
6
6
6
6
10

Назад

Монтажные положения и количество масла, заливаемого в мотор-редукторы CRMI

Монтажные положения и количество масла, заливаемого в мотор-редукторы CRMI

 

Положение клемной коробки эл.двигателя

Положение клемной коробки эл.двигателя

Назад

Вес червячных редукторов серии CRMI, кг

CRMI 28/28
2,8
CRMI 28/40
3,5
CRMI 40/40
4,2
CRMI 28/50
5,2
CRMI 40/50
5,9
CRMI 28/63
7,4
CRMI 28/70
14,4
CRMI 40/70
16,1
CRMI 50/70
16,8
CRMI 63/70
19
CRMI 40/85
20
CRMI 50/85
22
CRMI 63/85
24
CRMI 70/85
31
CRMI 50/110
42
CRMI 63/110
44
CRMI 70/110
51
CRMI 85/110
56
CRMI 63/130
54
CRMI 70/130
61
CRMI 85/130
66
CRMI 85/150
95
CRMI 110/150
115
CRMI 85/180
148
CRMI 110/180
168
CRMI 130/180
178

 

 

 
© 2014 Редукторы, мотор-редукторы, устройства плавного пуска, преобразователи частоты