Не секрет, что многие производители редукторов придерживаются единым стандартам, и как правило имеют одинаковые присоединительные размеры и характеристики. Благодаря таким стандартам редуктор NMRV может послужить отличной заменой вышедшего из строя редуктора другой фирмы.
Редукторы NMRV имеют следующие типоразмеры:
nmrv 030, nmrv 040, nmrv 050, nmrv 063, nmrv 075, nmrv 090, nmrv 110, nmrv 130, nmrv 150
Выходные обороты и мощность электродвигателей (кВт)
Технические характеристики червячных мотор-редукторов NMRV
Внешний вид червячных мотор-редукторов NMRV
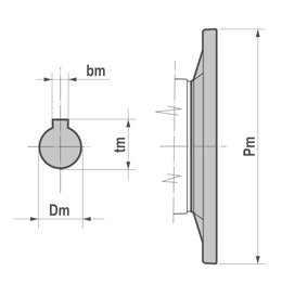
Габаритные и присоединительные размеры NMRV
Размеры выходного фланца NMRV
Размеры выходного вала NMRV
Рычаг крутящего момента NMRV
Монтажные позиции NMRV
Устройство редуктора NMRV
Конструктивные особенности мотор-редукторов NMRV
- Типоразмер 030, 040, 050, 063, 075, 090 - изготавливается из алюминиевого сплава, литого под давлением;
- Типоразмер 110, 130,150 - изготавливается из серого чугуна с механической обработкой;
- Нагрузочная способность в соответствии с: ISO 14521, ISO 6336, DIN 3990, DIN 743, ISO 281, DIN 3996, BS 721, AGMA 6034;
- Окраска редуктора синяя - RAL 5010.
Замечания по условиям применения
- Не допускается использование редуктора в качестве мультипликатор (повышающего угловую скорость выходного вал);
- Не допускается использование редуктора при высоких моментах инерции выходной нагрузки;
- Не рекомендуется использовать редуктор в качестве привода подъемных механизмов;
- Высокая динамическая нагрузка может снизить срок службы редуктора;
- При использовании редуктора при температуре ниже -30°C или выше 40°C следует использовать масло соответствующее нужной температуре;
- Запрещено использовать редуктор в агрессивных химических средах;
- Максимальный крутящий момент не должен превышать номинальное значение указанное в технических характеристиках более чем в два раза;
- Срок службы редуктора зависит от сервис фактора (SF), и составляет 8700 часов при условии (f.s.≥1).
Габаритные и присоединительные размеры

|
030 |
040 |
050 |
063 |
075 |
090 |
110 |
130 |
150 |
A |
54 |
70 |
80 |
100 |
120 |
140 |
170 |
200 |
240 |
A1 |
54 |
70 |
80 |
100 |
120 |
140 |
164-170 |
200 |
240 |
B |
20 |
23 |
30 |
40 |
50 |
50 |
60 |
80 |
80 |
D |
14 |
18(19) |
25(24) |
25(28) |
28 (30) (32) (35) |
35(38) (40) |
42 |
45 |
50 |
D1 |
9 |
11 |
14 |
19 |
24 |
24 |
28 |
30 |
35 |
G |
55 |
70 |
80 |
109 |
126,5 |
145 |
185,5 (РАМ 132) |
180 |
210 |
168 (РАМ 80-112) |
G1 |
63 |
78 |
92 |
112 |
120 |
140 |
155 |
170 |
200 |
G3 |
45 |
53 |
64 |
75 |
90 |
108 |
135 |
155 |
175 |
Н |
40 |
50 |
60 |
72 |
86 |
103 |
127,5 |
147,5 |
170 |
Н1 |
40 |
50 |
60 |
72 |
89 |
103 |
127,5 |
147,5 |
170 |
1 |
30 |
40 |
50 |
63 |
75 |
90 |
110 |
130 |
150 |
К |
44 |
60 |
70 |
85 |
90-95 |
100 |
115 |
120 |
145 |
KE |
M6*11 n°4 |
M6*11 n°4 |
M8*10 n°4 |
M8*14 n°8 |
M8*14 n°8 |
M10*18 n°8 |
M10*18 n°8 |
M12*21 n°8 |
M12*21 n°8 |
L |
56 |
71 |
85 |
103 |
112 |
130 |
144 |
155 |
185 |
M |
65 |
75 |
85 |
95 |
115 |
130 |
165 |
215 |
215 |
N |
55 |
60 |
70 |
80 |
95 |
110 |
130 |
180 |
180 |
N1 |
29 |
36,5 |
43,5 |
53 |
57 |
67 |
74 |
81 |
96 |
O |
6,5 |
6,5 |
8,5 |
8,5 |
11 |
13 |
14 |
16 |
18 |
P |
75 |
87 |
100 |
110 |
131 |
160 |
200 |
250 |
250 |
Q |
44 |
55 |
64 |
80 |
93 |
102 |
125 |
140 |
180 |
R |
57 |
71,5 |
84 |
107 |
123 |
144 |
167,5 |
187,5 |
230 |
S |
5,5 |
6,5 |
7 |
8 |
10 |
11 |
14,5 |
15,5 |
18 |
S1 |
5,5 |
6,5 |
7 |
8 |
13 |
11 |
14,5 |
15,5 |
18 |
T |
21 |
26 |
30 |
36 |
40 |
45 |
50 |
60 |
72,5 |
V |
27 |
35 |
40 |
50 |
60 |
70 |
82-85 |
100 |
120 |
W |
0° |
45° |
45° |
45° |
45° |
45° |
45° |
45° |
45° |
b |
5 |
6(6) |
8(8) |
8(8) |
8 (8) (10) (10) |
10(10) (12) |
12 |
14 |
14 |
t |
16,3 |
20,8(21,8) |
28,3(27,3) |
28,3 (31,3) |
31,3(33,3) (35,3) (38,3) |
38,3 (41,3) (43,3) |
45,3 |
48,8 |
53,8 |
b1 |
3 |
4 |
5 |
6 |
8 |
8 |
8 |
8 |
10 |
t1 |
10,2 |
12,5 |
16 |
21,5 |
27 |
27 |
31 |
33 |
|
f |
- |
- |
M6 |
M6 |
M8 |
M8 |
M10 |
M10 |
M12 |
Kg |
1,2 |
2,3 |
3,5 |
6,2 |
9 |
13 |
21 |
43,5 |
77 |
Фланец выходного вала

|
030 |
040 |
050 |
063 |
075 |
090 |
110 |
130 |
150 |
FA |
KA |
54,5 |
67 |
90 |
82 |
111 |
111 |
131 |
140 |
155 |
KB |
6 |
7 |
9 |
10 |
13 |
13 |
15 |
15 |
15 |
KC |
4 |
4 |
5 |
6 |
6 |
6 |
6 |
6 |
6 |
KN |
50 |
60 |
70 |
115 |
130 |
152 |
170 |
180 |
180 |
KM |
68 |
80 min |
90 min |
150 |
165 |
175 |
230 |
255 |
255 |
KO |
6.5 (n°4) |
9 (n°4) |
11 (n°4) |
11 (n°4) |
11 (n°4) |
11 (n°4) |
14 (n°8) |
16 (n°8) |
16 (n°8) |
KP |
80 |
110 |
125 |
180 |
200 |
210 |
280 |
320 |
320 |
KQ |
70 |
95 |
110 |
142 |
170 |
200 |
260 |
290 |
290 |
KW |
45° |
45° |
45° |
45° |
45° |
45° |
45° |
22.5° |
22.5° |
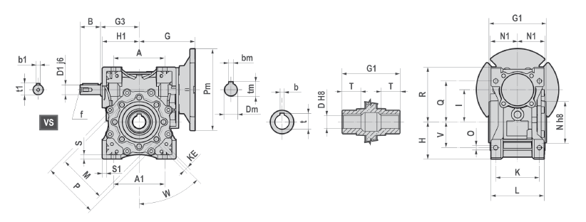
PAM - Размеры моторного фланца

В5 |
IEC |
056 |
063 |
071 |
080 |
090 |
100 |
112 |
132 |
160 |
Pm |
120 |
140 |
160 |
200 |
200 |
250 |
250 |
300 |
350 |
Dm |
9 |
11 |
14 |
19 |
24 |
28 |
28 |
38 |
42 |
bm |
3 |
4 |
5 |
6 |
8 |
8 |
8 |
10 |
12 |
tm |
10,4 |
12,8 |
16,3 |
21,8 |
27,3 |
31,3 |
31,3 |
41,3 |
45,3 |
B14 |
IEC |
056 |
063 |
071 |
080 |
090 |
100 |
112 |
Pm |
80 |
90 |
105 |
120 |
140 |
160 |
160 |
Dm |
9 |
11 |
14 |
19 |
24 |
28 |
28 |
bm |
3 |
4 |
5 |
6 |
8 |
8 |
8 |
tm |
10,4 |
12,8 |
16,3 |
21,8 |
27,3 |
31,3 |
31,3 |
Размеры выходного вала

|
030 |
040 |
050 |
063 |
075 |
090 |
110 |
130 |
150 |
d |
14 h6 |
18 h6 |
25 h6 |
25 h6 |
28 h6 |
35 h6 |
42 h6 |
45 h6 |
50 h6 |
B |
30 |
40 |
50 |
50 |
60 |
80 |
80 |
80 |
82 |
B1 |
32,5 |
43 |
53,5 |
53,5 |
63,5 |
84,5 |
84,5 |
85 |
87 |
G1 |
63 |
78 |
92 |
112 |
120 |
140 |
155 |
170 |
200 |
L |
102 |
128 |
153 |
173 |
192 |
234 |
249 |
265 |
297 |
L1 |
128 |
164 |
199 |
219 |
247 |
309 |
324 |
340 |
374 |
f |
M6 |
M6 |
M10 |
M10 |
M10 |
M12 |
M16 |
M16 |
M16 |
b1 |
5 |
6 |
8 |
8 |
8 |
10 |
12 |
14 |
14 |
t1 |
16 |
20,5 |
28 |
28 |
31 |
38 |
45 |
48,5 |
53,5 |
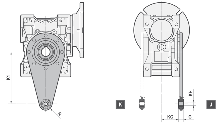
Рычаг крутящего момента

|
030 |
040 |
050 |
063 |
075 |
090 |
110 |
130 |
150 |
K1 |
85 |
100 |
100 |
150 |
200 |
200 |
250 |
250 |
250 |
G |
14 |
14 |
14 |
14 |
25 |
25 |
30 |
30 |
30 |
KG |
24 |
31,5 |
38,5 |
49 |
47,5 |
57,5 |
62 |
69 |
84 |
KH |
8 |
10 |
10 |
10 |
20 |
20 |
25 |
25 |
25 |
R |
15 |
18 |
18 |
18 |
30 |
30 |
35 |
35 |
35 |
Монтажные позиции

Устройство редуктора

Выходные обороты и мощность электродвигателей (кВт)
Для получения передаточного отношения более 100 используются двухступенчатые мотор-редукторы DRV или цилиндро-червячые редукторы PCRV.
|