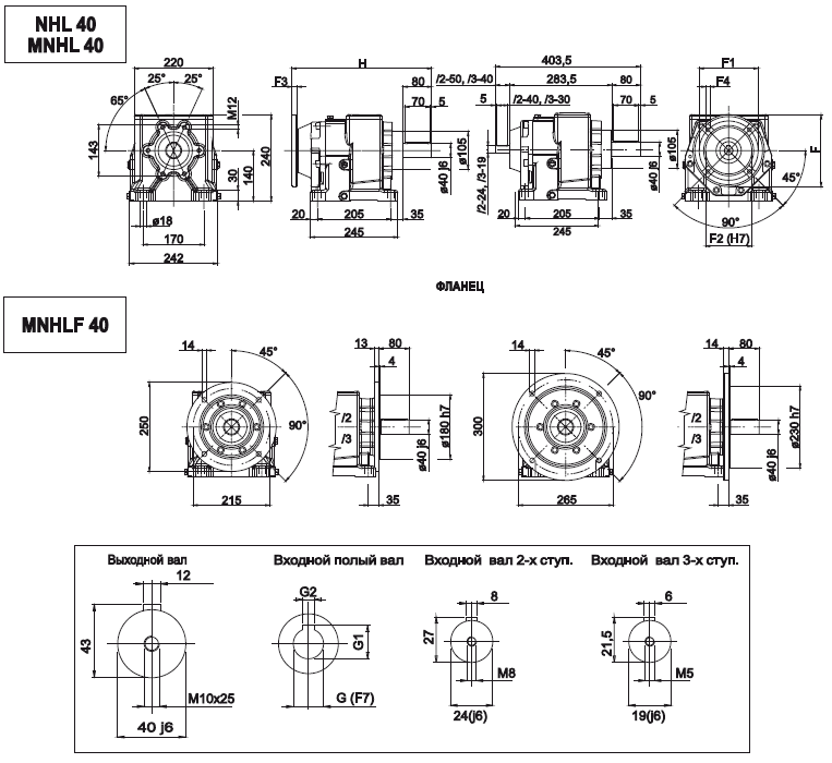
Габаритно-присоединительные размеры MNHL 40

 

Назад

Габаритно-присоединительные размеры MNHL 40

40/2-40/3
G
G1
G2
F
F1
F2
F3
F4
Н
/2... 80 B5/2F...80 В5
19
21,8
6
200
165
130
15
11,5
392
12... 90 B5/2F...90 В5
24
27,3
8
200
165
130
15
11,5
395
12...100-112 B5/2F...100-112
28
31,3
8
250
215
180
15
14
395
12... 132 B5/2F... 132 В5
38
41,3
10
300
265
230
15
14
425
/3...63B5/3F...63 В5
11
12,8
4
140
115
95
12
9
379,5
/3... 71 B5/3F...71 В5
14
16,3
5
160
130
110
10
9
385,5
/3... 80 B5/3F...80 В5
19
21,8
6
200
165
130
11
11
379,5
/3... 90 B5/3F...90 BS
24
27,3
8
200
165
130
11
11
379,5

Назад

 
© 2014 Редукторы, мотор-редукторы, устройства плавного пуска, преобразователи частоты